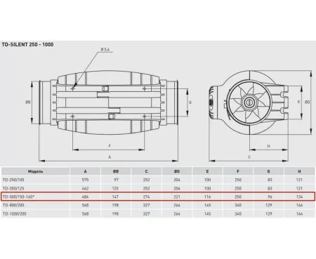
TD-SILENT
Модели 160 - 1000
Канальные вентиляторы разработаны специально для помещений с высокими требованиями к низкому уровню шума.
Вентиляторы изготавливаются из высококачественного пластика и комплектуются высокоэффективными крыльчатками с диагональными лопатками. Конструктивно, вентилятор состоит из двух частей: монтажного кронштейна и, закрепленного на нем, корпуса вентилятора. Корпус вентилятора двойной, между внешним и внутренним корпусом расположен слой звукопоглощающего материала (1). Использование резиновых уплотнителей на патрубках вентилятора позволяет исключить передачу вибраций от вентилятора к воздуховодам.
Электродвигатели
1 ф - 230 В - 50 Гц, 2-х скоростные электродвигатели. Класс защиты IP44.
Класс изоляции B, с шариковыми подшипниками и встроенной защитой от перегрева.
(1) За исключением модели TD-160 SILENT, снижение шума в которой достигается за счет резиновых "сайлент-блоков", на которых установлен электродвигатель (запатентованная технология S&P).
Дополнительная информация
TD-SILENT-T (модели с таймером)
Модели TD-SILENT-T (от 250 до 1000 типоразмера) оснащаются регулируемым таймером задержки выключения. Таймер можно настроить на время задержки от 1 до 30 мин. Вентиляторы TD-SILENT-T комплектуются односкоростными однофазными электродвигателями и не имеют возможности регулирования скорости.
Модели 1300 и 2000
Малошумные вентиляторы с звукопоглащающим материалом.
Certified of Approval Noise Abatement Society (Модель 2000). Вентиляторы изготавливаются из высококачественного пластика и комплектуются высокоэффективными крыльчатками с диагональными лопатками. Конструктивно, вентилятор состоит из двух частей: монтажного кронштейна и, закрепленного на нем, корпуса вентилятора. Корпус вентилятора двойной, между внешним и внутренним корпусом расположен слой звукопоглощающего материала (MO).
Звуковые волны от крыльчатки и электродвигателя проходят сквозь внутренний перфорированный корпус и, под определенным углом, направляются на слой шумопоглащаемого материала, где гасятся практически на сто процентов. Класс защиты IP44. Комплектуются внешними клеммными коробками с классом защиты IP55. 2-х скоростные электродвигатели, 1 ф - 230 В - 50 Гц, класс изоляции F, со встроенной защитой от перегрева.
Дополнительная информация
Канальные вентиляторы разработаны специально для помещений с высокими требованиями к низкому уровню шума.
Документы
eng_td-silent_ecowatt_nC1rvu-ENG
226,8 кб
RU_TD-SILENT
3,5 мб
Производитель
SOLER&PALAU
Гарантия месяцев
60
Электропитание
220
Производительность, м³/час
570
Режим работы
Вытяжной
Диаметр воздуховода, мм
160
Управление
На корпусе
Уровень шума дБ
25
Тип вытяжного вентилятора
Осевой
Обратный клапан
Есть
Тип установки вентилятора
Канальный
Глубина см.
48.4
Высота см.
27.4
Ширина см.
22.1
Изготовитель
Soler and Palau, S.A. Llevant, 4 Poligono Industrial Llevant,
08150, Parets del Valles, Barcelona, Испания.
Отзывы
Оставить отзыв
Загрузка отзывов...
Для покупки товара в нашем интернет-магазине выберите понравившийся товар и добавьте его в корзину. Далее перейдите в Корзину и нажмите на «Оформить заказ» или «Быстрый заказ».
Когда оформляете быстрый заказ, напишите ФИО, телефон и e-mail. Вам перезвонит менеджер и уточнит условия заказа. По результатам разговора вам придет подтверждение оформления товара на почту или через СМС. Теперь останется только ждать доставки и радоваться новой покупке.
Оформление заказа в стандартном режиме выглядит следующим образом. Заполняете полностью форму по последовательным этапам: адрес, способ доставки, оплаты, данные о себе. Советуем в комментарии к заказу написать информацию, которая поможет курьеру вас найти. Нажмите кнопку «Оформить заказ».
