Установка приточно-вытяжная SHUFT UniMAX-P 1400SE EC
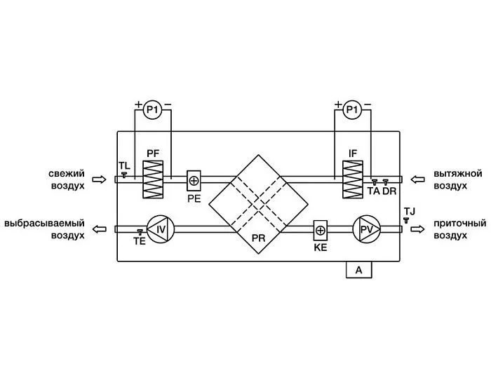
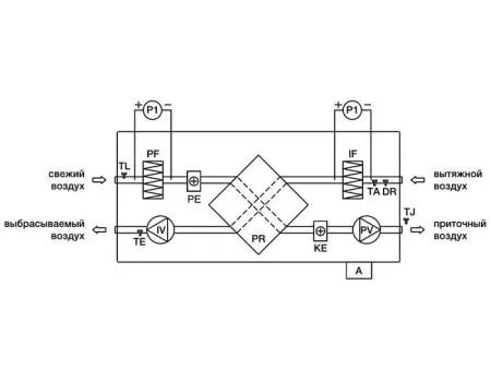
SHUFT UniMAX-P 1400SE EC — это приточно-вытяжная установка с алюминиевым пластинчатым рекуператором и электрическим нагревом, предназначенная для вентиляции помещений малой и средней площади: офисов, магазинов, квартир, коттеджей и административных объектов. Устройство обеспечивает очистку, нагрев и подачу свежего воздуха, одновременно удаляя загрязнённый воздух и влагу, с частичным сохранением тепла.
Корпус выполнен из оцинкованной стали, с звуко- и теплоизоляцией из минеральной ваты толщиной 30–50 мм, обеспечивающей низкий уровень шума и устойчивость к внешним воздействиям. Пластинчатый рекуператор с КПД до 95% (фактически — 70–75%) оснащён защитой от обмерзания, что позволяет использовать установку в холодный период года.
Производительность — 1400 м³/ч, статическое давление — 951 Па, мощность вентилятора — 0,478 кВт, мощность нагревателя после рекуператора — 9,0 кВт, потребляемая мощность — 9,478 кВт, электропитание — 220 В / 1 ф / 50 Гц, ток — 2,08 А, диаметр подключения — 315 мм, тип монтажа — горизонтальный, потолочный (на шпильки), с обязательной дренажной трассой, тип нагревателя — электрический, исполнение — правостороннее или левостороннее (в зависимости от модификации).
Устройство оснащено вентиляторами с назад загнутыми лопатками, EC-двигателями с термозащитой, двухступенчатой защитой от перегрева, и встроенной системой автоматического управления. Фильтрация — EU5 на притоке и EU5 на вытяжке, обеспечивающая высокую степень очистки воздуха. Установка комплектуется пультами управления PRO и FLEX с кабелем 15 метров.
Вес — 189,0 кг ВШГ (высота × ширина × глубина): 550 × 1362 × 2052 мм
Для покупки товара в нашем интернет-магазине выберите понравившийся товар и добавьте его в корзину. Далее перейдите в Корзину и нажмите на «Оформить заказ» или «Быстрый заказ».
Когда оформляете быстрый заказ, напишите ФИО, телефон и e-mail. Вам перезвонит менеджер и уточнит условия заказа. По результатам разговора вам придет подтверждение оформления товара на почту или через СМС. Теперь останется только ждать доставки и радоваться новой покупке.
Оформление заказа в стандартном режиме выглядит следующим образом. Заполняете полностью форму по последовательным этапам: адрес, способ доставки, оплаты, данные о себе. Советуем в комментарии к заказу написать информацию, которая поможет курьеру вас найти. Нажмите кнопку «Оформить заказ».
